Buscar en MDM

Boletín

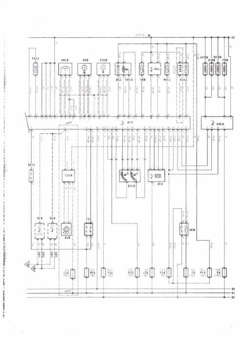
MOTOR OPEL Z17DTH MERIVA 1.7

Más
9 años 2 semanas antes #51612 por manual-mecanica
MOTOR OPEL Z17DTH MERIVA 1.7 Publicado por manual-mecanica
HOLA QUERIDOS COMPAÑEROS MECÁNICOS..
LES CUENTO UN CASO QUE ME ESTA MATANDO DE DOLOR DE CABEZA RESULTA QUE LLEGO UN COCHE AL TALLER PARA CAMBIARLE EL MOTOR Y CLARO SE LO CAMBIAMOS.. AL MONTARLO DE NUEVO EN EL CUADRO DE INTRUMENTOS NO SALE EL TESTIGO DEL MOTOR Y NO ES PROBLEMA DE LA CENTRALITA Y PARA EL COLMO NO QUIERE ARRANCAR EL MOTOR EN LA MAQUINA DE DIGANOSIS NO SALE CODIGO DE ERROR DEL SENSOR SKP ALGUIEN ME PUEDE DECIR DONDE PUEDO CONSEGUIR UN DIAGRAMA DE ESTE MOTOR

Por favor, Conectar o Crear cuenta para unirse a la conversación.

Más
9 años 2 semanas antes - 9 años 2 semanas antes #51613 por manual-mecanica
Respuesta de manual-mecanica sobre el tema MOTOR OPEL Z17DTH MERIVA 1.7
que año es el carro en que montaste el motor compa?
Última Edición: 9 años 2 semanas antes por .

Por favor, Conectar o Crear cuenta para unirse a la conversación.

Más
9 años 2 semanas antes #51614 por manual-mecanica
Respuesta de manual-mecanica sobre el tema MOTOR OPEL Z17DTH MERIVA 1.7
aqui van mas.

Por favor, Conectar o Crear cuenta para unirse a la conversación.

Más
9 años 2 semanas antes #51615 por manual-mecanica
Respuesta de manual-mecanica sobre el tema MOTOR OPEL Z17DTH MERIVA 1.7
aqui van mas, tardan en subir.

Por favor, Conectar o Crear cuenta para unirse a la conversación.

Más
9 años 2 semanas antes #51616 por manual-mecanica
Respuesta de manual-mecanica sobre el tema MOTOR OPEL Z17DTH MERIVA 1.7
es el ultimo

Por favor, Conectar o Crear cuenta para unirse a la conversación.