Buscar en MDM

Boletín

climatizador citroen xsara

Más
14 años 6 meses antes - 14 años 6 meses antes #21389 por manual-mecanica
climatizador citroen xsara Publicado por manual-mecanica
Tengo u problema con el climatizador, cuando pulso el boton de puesta en marcha la luz se enciende y en algunas ocasiones se oye el ruido de que entra el electroimán del compresor, pero en la mayoría de las veces no entra, que pasos puedo seguir para localizar de donde me viene el problema
Última Edición: 14 años 6 meses antes por . Razón: error puse motor en vez boton

Por favor, Conectar o Crear cuenta para unirse a la conversación.

Más
14 años 6 meses antes #21443 por manual-mecanica
Respuesta de manual-mecanica sobre el tema Re: climatizador citroen xsara
hola tiene pinta de ser el compresor,pero si pones mas datos del coche se te puede ayudar mejor con esquemas etc.de dejo algun ejemplo.un saludo.(















ej.motor,nr.de puertas,año.etc.)

Por favor, Conectar o Crear cuenta para unirse a la conversación.

Más
14 años 6 meses antes #21466 por manual-mecanica
Respuesta de manual-mecanica sobre el tema Re: climatizador citroen xsara
Gracias por la respuesta, el coche es mi segundo coche que he comprado recientemente para moverme por la ciudad, es un Xsara 1.6 gasolina con doce años de antigüedad , cuando se escucha que entra el compresor el aire sale frio pero al rato se para y luego ya no funciona, ¿podría ser carga de gas? He podido leer en un foro que si no hay gas el compresor se auto protege para que no se estropee al estar sin carga.

Por favor, Conectar o Crear cuenta para unirse a la conversación.

Más
14 años 6 meses antes #21470 por manual-mecanica
Respuesta de manual-mecanica sobre el tema Re: climatizador citroen xsara
si al principio mete aire frio y al rato ya no puede que sea la carga de gas como dices tu mismo siempre y cuando el compresor funcciona.un saludo.P.S.primero haz una carga que no es muy costosa y despues nos comentas.

Por favor, Conectar o Crear cuenta para unirse a la conversación.

Más
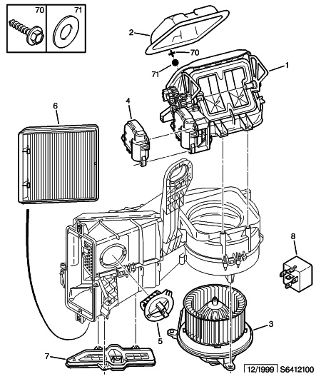
14 años 6 meses antes #21471 por manual-mecanica
Respuesta de manual-mecanica sobre el tema Re: climatizador citroen xsara
tienes clima o aire acodicionado si tienes aire aqui tienes el despiece casi completo de tu coche guardale.