Pesquise no MDM

Boletim

Problema com Peugeot 306 XN 1.4 1998

  • Manual-Mecanica
  • Autor do assunto
  • Offline
  • Pensionista fresco
  • Pensionista fresco
Avançar
12 anos 2 meses antes #43060 por Manual-Mecanica
Problema com Peugeot 306 XN 1.4 1998 Publicado pela Manual-Mecanica
Eu poderia me ajudar alguém porque tenho este carro Peugeot 306 XN Bencinero e não pude começar desde que revisei fusíveis e cabos e não consigo encontrar nada, mudei a injeção dupla e nada além de quando testo o cabo dos injetores

Por favor conecte ou crie uma conta para participar da conversa.

  • Manual-Mecanica
  • Autor do assunto
  • Offline
  • Pensionista fresco
  • Pensionista fresco
Avançar
12 anos 2 meses antes #43076 por Manual-Mecanica
Resposta Manual-Mecanica sobre o Problema com Peugeot 306 XN 1.4 1998
Primeiro, se você já verificou os fusíveis e eles estão bem e tem certeza disso, porque a Peugeot tem um fusível de 20 amperes que é cortado e não parte, verifique se ele tem uma faísca, se houver compressão e se houver combustível nos injetores, para que possamos determinar onde você deve comer o cheCar.

Por favor conecte ou crie uma conta para participar da conversa.

  • Manual-Mecanica
  • Autor do assunto
  • Offline
  • Pensionista fresco
  • Pensionista fresco
Avançar
12 anos 2 meses antes - 12 anos 2 meses antes #43080 por Manual-Mecanica
Resposta Manual-Mecanica sobre o Problema com Peugeot 306 XN 1.4 1998
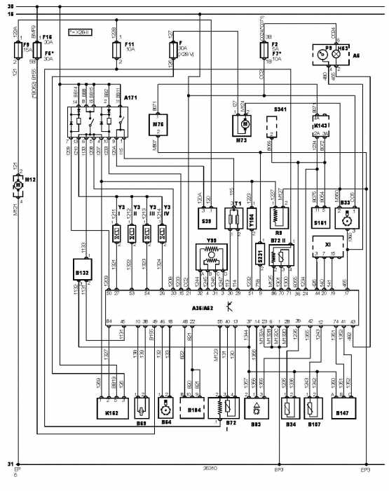
Passo o esquema elétrico do gerenciamento do motor, caso seja útil : D

Este é o esquema de Bosch



Isto é o de magneti-marelli



E este de Sagem



Procure o que carrega seu carro e dando bengala ao autor, para olhar para sensores e conectores, não há outro ...

Boa sorte !!
Última edição: 12 anos 2 meses antes .

Por favor conecte ou crie uma conta para participar da conversa.